Lille, kompakt og økonomisk lineær aktuator til mindre projekter, hvor den kan bruges til utallige formål. Aktuatoren er den mindste serie i vores sortiment, og bevæger sig med 9.5mm per sekund, og stopper automatisk efter den er kørt helt ud eller ind. Dette gør den nemt at montere uden at skulle benytte endestop eller lignende.
Det er vigtigt at bemærke, at der kan forekomme en margin på op til +/- 10% i hastighed i forhold til at det anviste 9,5mm per. sekund.
Den lineære aktuator kan benyttes til at løfte, dreje, trække og skubbe små emner. Man bør dog altid overveje sikkerheden inden brug.
Aktuatoren tilsluttes direkte til 12V eller 24 alt efter valgte type. Den vil køre ind eller ud afhængig af, hvordan motoren tilsluttes. Man bytter blot rundt på plus og minus, hvis den skal køre modsat retning. Dette kan f.eks. gøres med en to-polet kontakt, relæ eller anden styring.
Aktuatoren er fremstillet i anodiseret aluminium, og vandtætte pakninger, hvilket gør at den er rated som IP54. Man bør dog ikke montere den udendørs eller udsatte steder.
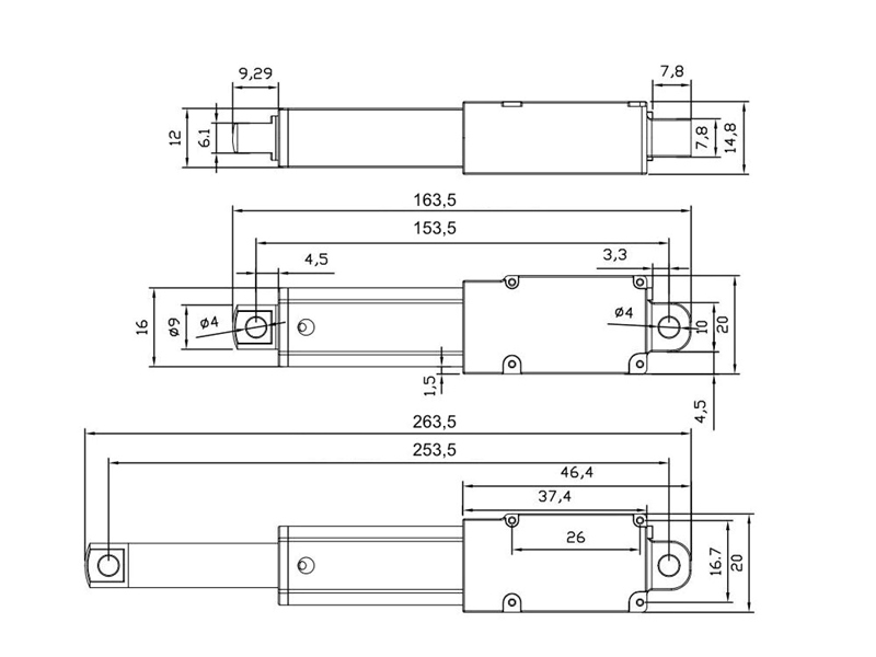
For montering af aktuatoren kan der separat tilkøbes monteringsbeslag, som sælges enkeltvis. Hullerne i aktuatoren er 4mm.
Styrkeberegning
Vi anbefaler altid, at man beregner hvor meget kraft, der skal til før man monterer en aktuator - alternativt afprøver dette. Et nemt udgangspunkt er at læse om vægtstangsprincippet
Fakta for 12V, 50mm
| Levetid: | 50000 gange / ticks |
| Længde: | 113,5mm (Hul-afstand 103,5mm) |
| Længde udskudt: | 163,5mm (Hul-afstand 153,5mm) |
| Strøm : | 3A (5A peak) |
| Strømforsyning: | Minimum 60W |
Fakta for 12V, 100mm
| Levetid: | 50000 gange / ticks |
| Længde: | 163,5mm (Hul-afstand 153,5mm) |
| Længde udskudt: | 263,5mm (Hul-afstand 253,5mm) |
| Strøm : | 3A (5A peak) |
| Strømforsyning: | Minimum 60W |
Fakta for Tilbehør, Beslag
| Levetid: | 50000 gange / ticks |
| Strøm : | 3A (5A peak) |
| Strømforsyning: | Minimum 60W |
Fakta for 24V, 50mm
| Levetid: | 50000 gange / ticks |
| Længde: | 113,5mm (Hul-afstand 103,5mm) |
| Længde udskudt: | 163,5mm (Hul-afstand 153,5mm) |
| Strøm : | 3A (5A peak) |
| Strømforsyning: | Minimum 60W |
Fakta for 24V, 100mm
| Levetid: | 50000 gange / ticks |
| Længde: | 113,5mm (Hul-afstand 103,5mm) |
| Længde udskudt: | 163,5mm (Hul-afstand 153,5mm) |
| Strøm : | 3A (5A peak) |
| Strømforsyning: | Minimum 60W |
Fakta for 12V, 30mm
| Levetid: | 50000 gange / ticks |
| Strøm : | 3A (5A peak) |
| Strømforsyning: | Minimum 60W |
Fakta for 24V, 30mm
| Levetid: | 50000 gange / ticks |
| Strøm : | 3A (5A peak) |
| Strømforsyning: | Minimum 60W |
Lille, kompakt og økonomisk lineær aktuator til de helt små projekter, hvor den kan bruges til utallige formål.
Vis fuld beskrivelse